壓力類型使用說明溫度計
普通壓力類型溫度計

用自己的方式
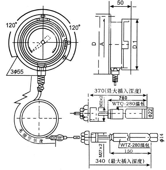
WTZ-280和WTQ-280壓力類型溫度計適用于20米內不腐蝕銅和銅合金的液體、氣體和蒸汽的溫度測量。
主要技術數據
1.基本參數
模型
溫度測量范圍℃
精密等級
安裝接頭
額定壓力
WTZ-280
-20~+60
2.5
M27 &時代;2
或者
NPT3/4
1.6MPa
或者
6.4 MPa
0~50
0~100
1.5
0~120
20~120
60~160
注:由于蒸發液體的飽和蒸汽壓與溫度變化不相稱,請使用刻度盤的后2/3。模型
溫度測量范圍℃
精密等級
安裝接頭
額定壓力
WTQ-280
-40~+60
1.5
或者
2.5
M27 &時代;2
或者
NPT3/4
1.6MPa
或者
6.4 MPa
0~160
0~200
0~300
注:儀器可以在-10~+55的環境溫度下正常工作2.測量長度
規格
毛細管長度(米)
插入深度調整(mm)
z型
1~10
120~210
10~15
150~240
15~20
200~290
q型
1~20
280~370
(小溫包)
1~10
150~240
15~20
200~290
3.總尺寸銅毛細管長度不超過20米,不銹鋼毛細管長度不超過10米。
總尺寸(毫米)
表面直徑D1 a150 &奧斯拉什;156 & Oslash160 & Oslash172 100 & Oslash117 & Oslash120 & Oslash130

壓力類型電接點溫度計
壓力類型電接點溫度計用于在相對較長的距離測量液體或氣體的溫度。當工作溫度達到或超過一個固定值時,它會發出一個電信號。儀器還可以使用溫度調節系統的電路觸點開關。WTX280壓力型溫度計,288型電接點壓力型溫度計,適用于測量20米內不腐蝕銅合金的液體、氣體和蒸汽的溫度,當工作溫度達到或超過給定值時可以發出電信號。溫度計也可用作溫度調節系統中的電路觸點開關。
備注:WTZ-288、WTQ-288 電接點溫度計聯系電源為10VA
主要技術數據
型號WTZ-280 WTQ-280 WTZ-288 WTQ-288公稱直徑(mm)&φ;100,& Phi150φ;150φ;150φ;150等級1.5 1.5 1.5 1.5 1.5尾部長度(m) 3-20m(不銹鋼防腐型3-10m)安裝螺紋M27x2 M33x2 M27x2 M33x2溫度測量范圍WTZ:-20-60,0-50,0-100 WTQ:-80-40,-60-40,0-160
20 ~ 120,60~160,100~200,0~300
1.使用前應檢查溫度計的有效期。如果過期,應重新檢查。
2.溫度計應在環境空氣溫度為-10~+55℃且相對濕度不超過80%的環境中使用。
3.溫度計應無振動地垂直安裝在安裝板上。z 溫度計應盡可能保持在與暖包裝相同的水平位置,以減少因靜液柱作用而產生的額外誤差。
4.溫度包必須完全浸入被測介質中(并將溫度包盡可能深地插入嘴中,以減少溫度包安裝螺栓散熱造成的誤差),被測介質必須頻繁流動。
5.在安裝過程中,毛細管應是直的,并以不超過300毫米的間隔用滾動頭固定。毛細管的彎曲半徑不應小于50毫米。
6.溫度計正常工作溫度應為測量范圍的1/2~3/4。
7.溫度計應避免任何情況下的振動、碰撞和沖擊(無論搬運、安裝或功能等)。)。
8、如測量銅及銅合金上的腐蝕性液體、氣體和蒸汽,訂貨時請注明。
9.如果您對溫度袋的尺寸有特殊要求,可以定制。
“壓力類型使用說明溫度計 ”本文地址,轉載請勿刪除!http://www.668nz.com/gynews/3645.html